インタフェースV-by-One® HSTHCV241A-P

概要
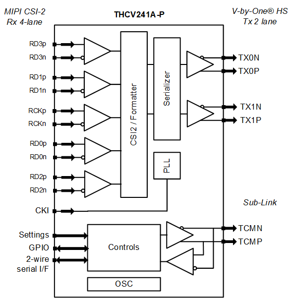
THCV241A-Pは最大4レーンのMIPI® CSI-2映像信号をV-by-One® HS(ギガビット・シリアル・インターフェース)映像信号へ変換するトランスミッタICです。最大レート4.0GbpsのV-by-One® HS出力を2レーン有しており、4K UHD(8メガピクセル)60fps RAW10のカメラ映像信号を2対のツイストペアケーブルもしくは2本の同軸ケーブルで送信可能です。またI2CやGPIO信号をブリッジ可能なSub-Linkも備えています。
- 4K UHD(8メガピクセル)60fps RAW10対応
- MIPI® CSI-2 to V-by-One® HS 変換
- MIPI® CSI-2 入力
1レーンあたり最大1.5 Gbps
1,2, or 4レーン - V-by-One® HS出力
1レーンあたり最大4.0Gbps(実効3.2Gbps)
1 or 2レーン - スペクトラム拡散クロック発生器(SSCG)内蔵
- 電源電圧: 1.7V-3.6V、1.1V-1.3V
- 双方向チャネル"Sub-Link": I2C/GPIO
- 複製出力(Distribution)mode
- パッケージ:QFN40 (5mm x 5mm)
- 動作温度範囲:-40 to 105℃
- 推奨Rx:
THCV242A-P - アプリケーション:
内視鏡
監視カメラ
工業用内視鏡・ビデオスコープ
ドライブレコーダー
- ■MIPIを学ぶOPEN
- ■THCV24シリーズ製品のスターターキットOPEN
- ■THCV24シリーズ製品選定のためのお役立ちデータOPEN
- ■THCV24シリーズ製品関連FAQOPEN
本製品に関する技術的なFAQはこちら
サンプル購入
資料ダウンロード
-
データシート
-
デザインガイド
-
デザインガイド
-
デザインガイド
-
デザインガイド
-
レジスタマップ
-
評価ボード
-
評価ボード
-
評価ボード
-
評価ボード
MIPI SerDes Starter Kit Cable Length Consideration_rev2.00_E.pdf