THC63LVD827

概要

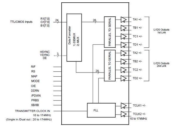
THC63LVD827は1080p/1920×1440の解像度をサポートするDual Pixel Link LVDSトランスミッタICです。小型パッケージの為、タブレット、ノートPC等高解像のモバイル機器に最適です。

  • LVCMOS to LVDS 変換
  • LVCMOSパラレル入力
    27bit/画素
    172M画素/秒(クロック周波数:10-174MHz)
    1.8/2.5/3.3V入力サポート
     入力サンプリング・エッジ選択可能
  • 4ch LVDS 2port (Dual Pixel Link)出力
    1.22Gbps/ch
    EMIを抑制する小振幅出力モード
  • 電源電圧:1.8V
    IOVCCは1.8/2.5/3.3V選択可能
  • パッケージ:TFBGA72
    7mm×7mmの同等品最小パッケージ
  • 動作温度範囲:-40 to 85℃
  • クラス最高の低消費電力
     Typ.83mW@WUXGA60Hz
  • 推奨Rx:
     THC63LVD1022
     THC63LVD1024

本製品に関する技術的なFAQはこちら

FAQ

資料ダウンロード

関連アプリケーション