- HOME
- 製品紹介 / インタフェース
- LVDS
- THC63LVD827-Z

概要
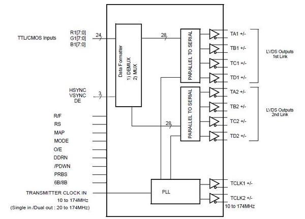
THC63LVD827-Zは1080p/1920×1440の解像度をサポートするDual Pixel Link LVDSトランスミッタICです。小型パッケージの為、タブレット、ノートPC等高解像のモバイル機器に最適です。
- LVCMOS to LVDS 変換
- LVCMOSパラレル入力
27bit/画素
172M画素/秒(クロック周波数:10-174MHz)
1.8/2.5/3.3V入力サポート
入力サンプリング・エッジ選択可能 - 4ch LVDS 2port (Dual Pixel Link)出力
1.22Gbps/ch
EMIを抑制する小振幅出力モード - 電源電圧:1.8V
IOVCCは1.8/2.5/3.3V選択可能 - パッケージ:TFBGA72
7mm×7mmの同等品最小パッケージ - 動作温度範囲:-40 to 105℃
- クラス最高の低消費電力
Typ.83mW@WUXGA60Hz - 推奨Rx:
THC63LVD1022
THC63LVD1024