- HOME
- 製品紹介 / インタフェース
- V-by-One®
- THCV213

概要
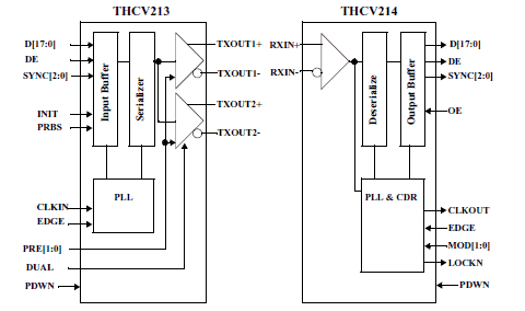
THCV213とTHCV214はデジタル映像信号を高速伝送するためのチップセットです。LCDテレビやモニターなどで一般的に使われているLVDS伝送やDVI, HDMI*伝送と比べて配線数が少なく、省スペース、低EMI、長距離伝送する点で優れたチップセットです。
- LVCMOS to V-by-One® 変換
- LVCMOS 入力
映像信号:18bit/画素,同期信号:3bit
40M画素/秒(クロック周波数 5-40MHz) - V-by-One® (LVDS) 2ch出力
840Mbps/ch
2ch出力による分配機能 - クロック&データリカバリー回路と独自のエンコード方式により、差動1ペアケーブルでの伝送が可能
- THCV213のプリエンファシス機能により長距離伝送が可能
- 電源電圧:3.3V
- パッケージ:TQFP48
- 動作温度範囲:
THCV213-1T 0 to 70℃
THCV213-5T -40 to 85℃ - AEC-Q100 ESD Protection
- 対応:Rx THCV214