
摘要
THCV213与THCV214是专门用于高速数字视频信号传输的芯片组。与目前LCD电视及显示器等常用的LVDS、DVI以及HDMI*相比,具有减少传输线数、节省空间、降低EMI、延长传输距离等优点。
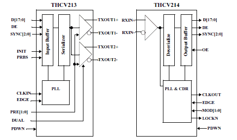
- LVCMOS to V-by-One® 转换
- LVCMOS 输入
视频信号:18bit/像素,同步信号:3bit
40M像素/秒(时钟频率 5-40MHz) - V-by-One® (LVDS) 2通道输出
840Mbps/通道
基于双通道输出的分配功能 - 通过将时钟&数据恢复电路与THine特有的编码方式结合,实现用一对数据线传输差分信号。
- 使用THCV213的预加重功能可以实现长距离数据传输。
- 电源电压:3.3V
- 封装:TQFP48
- 工作温度范围:
THCV213-1T 0 to 70℃
THCV213-5T -40 to 85℃ - AEC-Q100 ESD Protection
- 对应接收端
THCV214
关于本产品的技术FAQ请见此处
样品购入
下载资料
-
Data Sheet
-
设计方针
-
用户指南