
개요
THCV213과 THCV214는 디지털 영상신호를 고속 전송하기 위한 칩셋입니다. LCD TV나 모니터 등에서 일반적으로 사용되고 있는 LVDS 전송이나 DVI, HDMI* 전송과 비교했을때, 배선수는 줄어들고, 적은 실장면적을 차지하며, 낮은 EMI와 장거리 전송이 가능한 칩셋입니다.
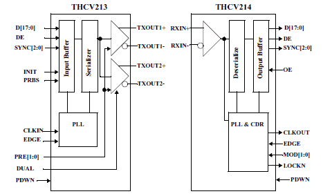
- LVCMOS to V-by-One® 변환
- LVCMOS 입력
영상신호:18bit/화소, 동기신호:3bit
40M화소/초 (클럭주파수 5-40MHz) - V-by-One® (LVDS) 2ch 출력
840Mbps/ch
2ch 출력에 의한 분배기능 - 클럭 데이터 리커버리(CDR)회로와 독자적인 엔코더 방식에 의해, 차동 원페어 케이블의 전송이 가능
- THCV213의 프리엠퍼시스 기능으로 장거리 전송이 가능
- 전원전압:3.3V
- 패키지:TQFP48
- 동작온도범위:
THCV213-1T 0 to 70℃
THCV213-5T -40 to 85℃ - AEC-Q100 ESD Protection
- 대응:Rx THCV214