 
摘要
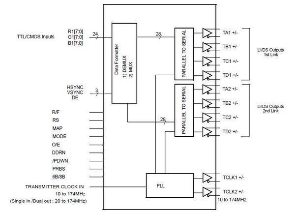
THC63LVD827-Z为双路LVDS发送端芯片,可支持は1080p/1920×1440的分辨率。由于其封装体积小,很适合用于平板电脑、笔记本电脑等高分辨率的移动设备。
- LVCMOS to LVDS 转换
- LVCMOS平行信号输入
 27bit/像素
 172M像素/秒(时钟周期:10-174MHz)
 支持1.8/2.5/3.3V输入
 输入信号采样沿可选
- 4ch LVDS 2port (Dual Pixel Link)输出
 1.22Gbps/ch
 小振幅输出模式可以抑制EMI干扰
- 电源电压:1.8V
 IOVCC可选1.8/2.5/3.3V
- 封装:TFBGA72
 7mm×7mm 为同类型产品中最小
- 工作温度范围:-40 to 105℃
- 同类产品中耗电量最低
 Typ.83mW@WUXGA60Hz
- 推荐接收端:
 THC63LVD1022
 THC63LVD1024