- HOME
- 製品紹介 / LEDドライバ
- RGB LEDドライバ
- THL3512
LEDドライバRGB LEDドライバTHL3512

概要
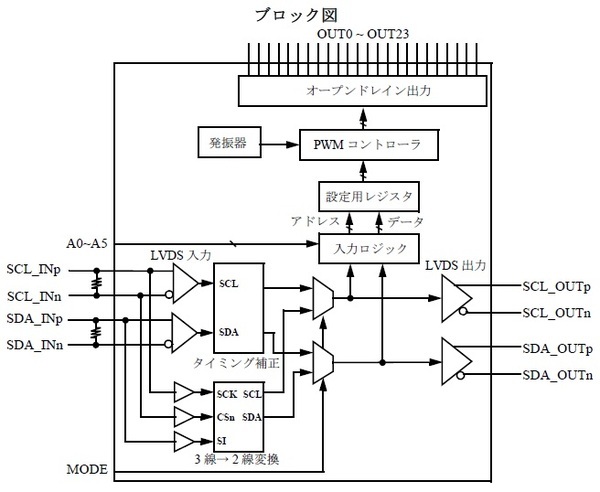
THL3512 は24 チャンネルのオープンドレイン出力を持つLEDドライバです。
発振器、PWM 回路内蔵しており、レジスタ書き込みによりLED の輝度を各チャンネル個別に256 段階で設定することができます。
シリアルインターフェースは、LVDS の差動2 ペア(クロック、データ)になっており、高ノイズ耐性、高速、長距離伝送を実現します。
LVDSはカスケード接続とマルチドロップ接続の両方に対応し、LED ドライバの配置、接続の自由度が増します。
通信プロトコルはシンプルな片方向通信ですので、CPU への負荷が小さく、制御しやすくなっております。
- オープンドレイン出力 24 チャンネル
- 出力シンク電流 最大100mA/ チャンネル
- 出力耐圧 最大40V
- チャンネル個別輝度調整 256 段階
- 出力ディセーブル機能
- 2線シリアルLVDS入力または、3線シリアルCMOSレベル入力最大10Mbps
- 3線シリアルCMOSレベルから2線シリアルLVDSへのブリッジ機能
- 2線シリアルLVDS のリピーター機能、波形整形、タイミング補正付き
- デバイスアドレス指定(最大62個)
- 全デバイス一括レジスタ書き込みも可能
- 各種保護機能内蔵UVLO、過電流保護、サーマルシャットダウン
- 電源電圧範囲:3.0 ~ 5.5V
- パッケージ:QFN 48-pin Exposed Pad