- HOME
- 製品紹介 / Others
- Video ADC
- THC7984-17
THC7984-17

概要
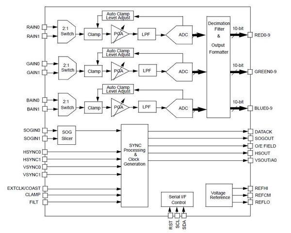
THC7984はTHC7981の後継となるビデオADCで、さらに機能や特性を強化しました。卓越したリニアリティを実現する内部14-bit ADCや高機能なインテリジェントシンクプロセッサに加えて、これまで外付けが必要であったコンポーネントビデオ用ローパスフィルタを内蔵しており、部品 点数や実装面積の削減に貢献します。また、THC7984は、生産終了品のTHC7980/THC7981/THC7983とピン互換ですので、置き換え が可能です。
- 最高170Msps 14ビット高性能ADC内蔵
- 低ジッタラインロックPLL フェーズ調整64段階
- ローパスフィルタ カットオフ調整28段階(6~310MHz)
- 高精度クランプ/プリアンプ
クランプ自動調整
低ゲインミスマッチプリアンプ
ゲイン調整2048段階 - 同期信号処理回路搭載
2値/3値同期スライサ
各種同期信号測定/監視機能
自動設定機能 - 2線シリアルインターフェース
- 対応入力信号
PC信号 VGA~UXGA(RGB)
セパレートシンク
コンポジットシンク
シンクオングリーン
コンポーネントビデオ 480i~1080p(YPbPr)
コピーガードパルス