OthersVideo ADC THC7984-17

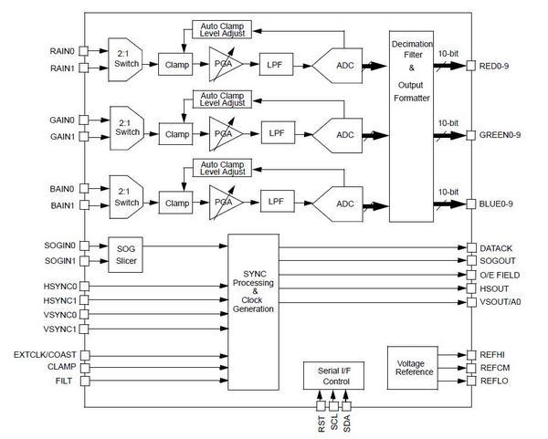
THC7984-17 Block Diagram

Overview

The THC7984 is newly-evolved version of the THC7981 and improves the functionality and quality even further. In addition to the internal 14-bit ADCs that realize the excellent linearity and the intelligent sync processor, the THC7984 includes low pass filters for component video that has been added externally so far.The THC7984 is pin-compatible with the THC7980/THC7981/THC7983(End-of-life products), which simplifies replacement from them.

  • 170 MSPS 10-bit ADC - Internal 14-bit ADCs
  • Line-locked PLL with low jitter - Phase adjustment: 64 steps
  • Low pass filter – cutoff frequency: 28 steps(6 to 310MHz)
  • Fine clamp / preamp
    Clamp level auto adjust
    Gain adjustment: 2048 steps
  • Sync Processor
    2-level / 3-level sync slicer
    Advanced sync detection / measurement
  • Automatic sync processing mode
    2-wire serial interface
  • Acceptable Signals
    PC Graphics (RGB): VGA-UXGA
    Separate Sync
    Composite Sync
    Sync on Green
    Component Video (YPbPr): 480i-1080p
    Copy Protection Signal

Go to FAQ for this product

FAQ

Purchase Samples

Buy at Arrow

Buy at Digi-Key

Download documents