THine Value LVDS搭載LEDドライバICの3つのメリットを解説、コモンモード・ノイズへの耐性や、高い設計自由度が得られる
2020.10.21
- 記事
- コラム
より華やかに、より鮮やかに、より派手に・・・。現在、アミューズメント機器やアーケード・ゲーム機は、かつてに比べると大幅な進化を遂げている。
なぜ、こうした進化を遂げることができたのか。もちろん、最大の理由はユーザーのニーズだろう。ユーザーの声に応えるかたちで、製品企画が進んだことが大きい。しかし、理由はそれだけではない。技術的な理由も存在する。それは、LED(発光ダイオード)の高輝度化と低コスト化である。高輝度なLEDを使えば、1 個のLEDでより明るい表示が得られる。しかもコストの低下によって、より多くのLEDが使えるようになった。つまり、アミューズメント機器やアーケード・ゲーム機の表示機能は、LEDの高輝度化と低コスト化の相乗効果によって大幅に進化したことになる。
なぜ、こうした進化を遂げることができたのか。もちろん、最大の理由はユーザーのニーズだろう。ユーザーの声に応えるかたちで、製品企画が進んだことが大きい。しかし、理由はそれだけではない。技術的な理由も存在する。それは、LED(発光ダイオード)の高輝度化と低コスト化である。高輝度なLEDを使えば、1 個のLEDでより明るい表示が得られる。しかもコストの低下によって、より多くのLEDが使えるようになった。つまり、アミューズメント機器やアーケード・ゲーム機の表示機能は、LEDの高輝度化と低コスト化の相乗効果によって大幅に進化したことになる。
劣悪なノイズ環境
アミューズメント機器やアーケード・ゲーム機に数多くのLEDを搭載すれば、より華やかで、より鮮やかで、より派手な演出表示ができる。機器メーカーにとって、このメリットは大きい。
しかしその一方で、LEDを駆動する「LEDドライバ回路」の設計が難しくなるというデメリットが存在する。なぜならば、一般にアミューズメント機器やアーケード・ゲーム機の内部は、ノイズ環境が劣悪だからである。これらの機器内部には、さまざまな高性能LSIや高速なインターフェースなどが搭載されており、それらから高レベルの電磁ノイズ(EMI)が放射される。また、メダルなどの接触によるノイズの発生も起こりうる。こうしたノイズがLEDドライバ回路に飛び込むとLEDの誤点灯などを引き起こし、ユーザーの目には違和感のある乱れた表示として映ってしまうのだ。
なぜ、LEDの誤点灯を引き起こすのか。もう少し詳しく説明しよう。一般に、アミューズメント機器やアーケード・ゲーム機では、数多くのLEDを取り付けるために、それを駆動するLEDドライバICを複数個使用する。ただし、その表示を制御するCPUは1つだけである。そこで普通は、CPUと複数のLEDドライバICとの間を何らかのインターフェース技術で接続している。
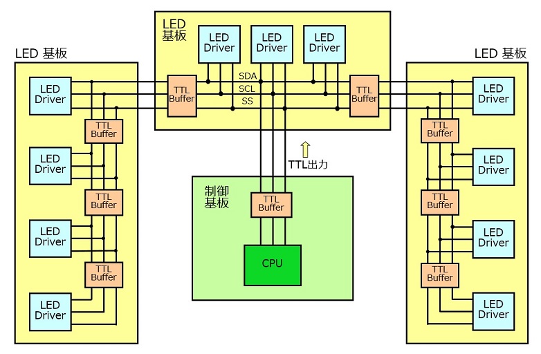
このインターフェース技術の候補には、I2Cインターフェース方式やシフト・レジスタ方式、3線式シリアル・インターフェース(2線式のシリアル・インターフェース)などがあり、このうち3線式シリアル・インターフェース(2線式のシリアル・インターフェース)を使うケースが多い。3線式は、3本の信号ラインでデータ(SDA)信号とクロック(SCL)信号、スレーブ・セレクト(SS)信号を送る(図1)。2線式は、2本の信号ラインでデータ(SDA)信号とクロック(SCL)信号を送信する。
こうしたシリアル・インターフェースにノイズが飛び込むと、そこを伝搬する信号に悪影響を与える。具体的には、信号波形が歪み、正しい信号伝送ができなくなってしまう。ノイズが飛び込む経路はさまざまだ。ごく近くで発生したノイズがシリアル・インターフェースに直接飛び込んで信号に悪影響を与えるケースもあれば、ノイズがグラウンドに飛び込んでグラウンド電位を揺らし、それがシリアル・インターフェースを伝搬する信号に悪影響を与えるケースもある。
いずれのケースでも、シリアル・インターフェースを伝搬する信号の波形は大きく歪んでしまい、正しい信号伝送ができなくなる。その結果、LEDが必要なときに点灯しなかったり、不必要なときに点灯してしまったりする事態を招く。
しかしその一方で、LEDを駆動する「LEDドライバ回路」の設計が難しくなるというデメリットが存在する。なぜならば、一般にアミューズメント機器やアーケード・ゲーム機の内部は、ノイズ環境が劣悪だからである。これらの機器内部には、さまざまな高性能LSIや高速なインターフェースなどが搭載されており、それらから高レベルの電磁ノイズ(EMI)が放射される。また、メダルなどの接触によるノイズの発生も起こりうる。こうしたノイズがLEDドライバ回路に飛び込むとLEDの誤点灯などを引き起こし、ユーザーの目には違和感のある乱れた表示として映ってしまうのだ。
なぜ、LEDの誤点灯を引き起こすのか。もう少し詳しく説明しよう。一般に、アミューズメント機器やアーケード・ゲーム機では、数多くのLEDを取り付けるために、それを駆動するLEDドライバICを複数個使用する。ただし、その表示を制御するCPUは1つだけである。そこで普通は、CPUと複数のLEDドライバICとの間を何らかのインターフェース技術で接続している。
このインターフェース技術の候補には、I2Cインターフェース方式やシフト・レジスタ方式、3線式シリアル・インターフェース(2線式のシリアル・インターフェース)などがあり、このうち3線式シリアル・インターフェース(2線式のシリアル・インターフェース)を使うケースが多い。3線式は、3本の信号ラインでデータ(SDA)信号とクロック(SCL)信号、スレーブ・セレクト(SS)信号を送る(図1)。2線式は、2本の信号ラインでデータ(SDA)信号とクロック(SCL)信号を送信する。

図1 3線式シリアル・インターフェースを搭載したLEDドライバICの接続例
こうしたシリアル・インターフェースにノイズが飛び込むと、そこを伝搬する信号に悪影響を与える。具体的には、信号波形が歪み、正しい信号伝送ができなくなってしまう。ノイズが飛び込む経路はさまざまだ。ごく近くで発生したノイズがシリアル・インターフェースに直接飛び込んで信号に悪影響を与えるケースもあれば、ノイズがグラウンドに飛び込んでグラウンド電位を揺らし、それがシリアル・インターフェースを伝搬する信号に悪影響を与えるケースもある。
いずれのケースでも、シリアル・インターフェースを伝搬する信号の波形は大きく歪んでしまい、正しい信号伝送ができなくなる。その結果、LEDが必要なときに点灯しなかったり、不必要なときに点灯してしまったりする事態を招く。
コモンモード・ノイズに強い
すでにザインエレクトロニクスは、こうした外来ノイズ問題を解決できるLEDドライバIC「THL35xxシリーズ」を販売中である(図2)。
CPUや複数のLEDドライバICとの間を接続するインターフェース技術に「LVDS(Low Voltage Differential Signaling)」を採用することで問題を解決した(図3)。
LVDSは、低振幅の差動伝送方式を採用する。振幅は、100Ω終端時にわずか350mVである。信号伝送には、2本の信号ライン、すなわち1ペアの信号ラインを使う。ザインエレクトロニクスのLEDドライバICでは、2ペア分のLVDSを搭載しており、これを使ってデータ信号とクロック信号を送る。
一般にLVDS技術は、「ノイズ特性が優れている」とされている。理由は2つある。1つは放射電磁雑音(EMI)が少ないことである。低振幅の差動伝送方式を採用しているからだ。このため、周辺の電子回路やインターフェースなどに与える悪影響を最小限に抑えられる。
もう1つは、外来ノイズに対する耐性が高いことである。例えば、外来ノイズがグラウンドに飛び込んでグラウンド電位が揺れると、1ペアを構成する2本の信号ラインには同じノイズが載る。しかし、LVDSは差動伝送方式を採用しているため、受信回路では2つの信号の差を計算する。このときノイズ成分は打ち消されるため、外来ノイズの影響を受けづらい(図4)。
一般に、こうしたグラウンド電位の揺れや、電源の揺れなどに起因するノイズを「コモンモード・ノイズ」と呼ぶ。つまり、LVDSはコモンモード・ノイズに対してめっぽう強いわけだ(しかし、外来ノイズの飛び込み方によっては対応が難しいケースもあるため、フィルター素子を挿入するなど機器環境に合わせた対応が必要になる)。

図2 LVDS搭載のLEDドライバICの簡略ブロック図
CPUや複数のLEDドライバICとの間を接続するインターフェース技術に「LVDS(Low Voltage Differential Signaling)」を採用することで問題を解決した(図3)。

図3 LVDSを搭載したLEDドライバICの接続例
LVDSは、低振幅の差動伝送方式を採用する。振幅は、100Ω終端時にわずか350mVである。信号伝送には、2本の信号ライン、すなわち1ペアの信号ラインを使う。ザインエレクトロニクスのLEDドライバICでは、2ペア分のLVDSを搭載しており、これを使ってデータ信号とクロック信号を送る。
一般にLVDS技術は、「ノイズ特性が優れている」とされている。理由は2つある。1つは放射電磁雑音(EMI)が少ないことである。低振幅の差動伝送方式を採用しているからだ。このため、周辺の電子回路やインターフェースなどに与える悪影響を最小限に抑えられる。
もう1つは、外来ノイズに対する耐性が高いことである。例えば、外来ノイズがグラウンドに飛び込んでグラウンド電位が揺れると、1ペアを構成する2本の信号ラインには同じノイズが載る。しかし、LVDSは差動伝送方式を採用しているため、受信回路では2つの信号の差を計算する。このときノイズ成分は打ち消されるため、外来ノイズの影響を受けづらい(図4)。

図4 LVDSのノイズ特性が高い理由
一般に、こうしたグラウンド電位の揺れや、電源の揺れなどに起因するノイズを「コモンモード・ノイズ」と呼ぶ。つまり、LVDSはコモンモード・ノイズに対してめっぽう強いわけだ(しかし、外来ノイズの飛び込み方によっては対応が難しいケースもあるため、フィルター素子を挿入するなど機器環境に合わせた対応が必要になる)。
カスケードとマルチドロップの混在が可能
LVDSを搭載したLEDドライバICは、このほかにも大きな特徴がある。それは、LEDドライバICを接続する方法の設計自由度が非常に高いことだ。
前述のようにアミューズメント機器やアーケード・ゲーム機では、数多くのLEDを駆動する必要があるため、複数個のLEDドライバICを使う。表示を制御するCPUは1つだけだ。従って、CPUと複数のLEDドライバICとの間を接続しなければならない。接続方式には、カスケード方式とマルチドロップ方式の2つがある。
カスケード方式とは、いわゆる「数珠つなぎ」と呼ばれるもの。LEDドライバICの後段に1つのLEDドライバICをつなぎ、さらにそれの後段に1つのLEDドライバICをつなぐ。こうすることで1本のLVDSインターフェースに複数個のLEDドライバICを数珠つなぎに接続できる。
一方のマルチドロップ方式は、1本のLVDSインターフェースに複数個のLEDドライバICをぶら下げて接続する方式である。つまり、LVDSインターフェースにスタブ(分岐)を設けて、その分岐の先にLEDドライバICをつなぐわけだ。
ザインエレクトロニクスのLEDドライバICは、カスケード方式とマルチドロップ方式の両方に対応できる(図5)。しかも、両者を混在させることが可能だ。カスケード方式とマルチドロップ方式はそれぞれメリットとデメリットがある。カスケード方式は、構成がシンプルだが、大きく蛇行させたり、分岐させたりするのが難しい。マルチドロップ方式は、簡単に分岐できるが、配線が多くなり実装面積が比較的大きくなってしまう。
ザインエレクトロニクスのLEDドライバICを使えば、2つの接続方式を適材適所で使い分けられる。特にアミューズメント機器では、「役物」を構成する際に有効だ。役物とは、回転したり、スライドしたりする可動部である。ここには小型プリント基板が内蔵されており、可動部に取り付けたLEDを駆動するLEDドライバICを実装する。このLEDドライバICをカスケード方式で接続するのは難しい。LVDSインターフェースを直線状に作り込めないからだ。そこで分岐を設けてマルチドロップ方式で接続する。
前述のようにアミューズメント機器やアーケード・ゲーム機では、数多くのLEDを駆動する必要があるため、複数個のLEDドライバICを使う。表示を制御するCPUは1つだけだ。従って、CPUと複数のLEDドライバICとの間を接続しなければならない。接続方式には、カスケード方式とマルチドロップ方式の2つがある。
カスケード方式とは、いわゆる「数珠つなぎ」と呼ばれるもの。LEDドライバICの後段に1つのLEDドライバICをつなぎ、さらにそれの後段に1つのLEDドライバICをつなぐ。こうすることで1本のLVDSインターフェースに複数個のLEDドライバICを数珠つなぎに接続できる。
一方のマルチドロップ方式は、1本のLVDSインターフェースに複数個のLEDドライバICをぶら下げて接続する方式である。つまり、LVDSインターフェースにスタブ(分岐)を設けて、その分岐の先にLEDドライバICをつなぐわけだ。
ザインエレクトロニクスのLEDドライバICは、カスケード方式とマルチドロップ方式の両方に対応できる(図5)。しかも、両者を混在させることが可能だ。カスケード方式とマルチドロップ方式はそれぞれメリットとデメリットがある。カスケード方式は、構成がシンプルだが、大きく蛇行させたり、分岐させたりするのが難しい。マルチドロップ方式は、簡単に分岐できるが、配線が多くなり実装面積が比較的大きくなってしまう。

図5 カスケード方式とマルチドロップ方式
ザインエレクトロニクスのLEDドライバICを使えば、2つの接続方式を適材適所で使い分けられる。特にアミューズメント機器では、「役物」を構成する際に有効だ。役物とは、回転したり、スライドしたりする可動部である。ここには小型プリント基板が内蔵されており、可動部に取り付けたLEDを駆動するLEDドライバICを実装する。このLEDドライバICをカスケード方式で接続するのは難しい。LVDSインターフェースを直線状に作り込めないからだ。そこで分岐を設けてマルチドロップ方式で接続する。
バッファICは不要
ザインエレクトロニクスのLEDドライバICには、もう1つ特筆すべき特徴がある。
LVDSリピータ機能を内蔵していることである。
従来、2線式や3線式のシリアル・インターフェースを採用した場合は、接続距離が長くなると信号波形の歪みや振幅低下が大きくなり、正しくデータ/クロック信号を伝送できなくなる可能性が高まる。そこで、プリント基板の入り口にTTLバッファICを挿入する必要があった。
しかし、ザインエレクトロニクスのLEDドライバICはLVDSリピータ機能を内蔵している。リピータ機能とは、LVDS信号を受信し、信号ラインやケーブルなどで発生したスキューやジッターを吸収し、電圧軸と時間軸とも理想的な状態に整形して再びLVDS信号を送信するというものだ。このためバッファICの外付けは不要になり、プリント基板の実装面積やコストを削減できるようになる。
ザインエレクトロニクスのLEDドライバICは、出力チャンネル数が24chで、駆動方式(定電圧駆動/定電流駆動)やPWM信号の周波数の選択で、合計4製品をラインナップしている(表1)。PWM信号の周波数は37kHzと3.5kHzの製品があり、3.5kHz品(THL3512/THL3514)ならばEMIをより低く抑えることができる。
LVDSリピータ機能を内蔵していることである。
従来、2線式や3線式のシリアル・インターフェースを採用した場合は、接続距離が長くなると信号波形の歪みや振幅低下が大きくなり、正しくデータ/クロック信号を伝送できなくなる可能性が高まる。そこで、プリント基板の入り口にTTLバッファICを挿入する必要があった。
しかし、ザインエレクトロニクスのLEDドライバICはLVDSリピータ機能を内蔵している。リピータ機能とは、LVDS信号を受信し、信号ラインやケーブルなどで発生したスキューやジッターを吸収し、電圧軸と時間軸とも理想的な状態に整形して再びLVDS信号を送信するというものだ。このためバッファICの外付けは不要になり、プリント基板の実装面積やコストを削減できるようになる。
ザインエレクトロニクスのLEDドライバICは、出力チャンネル数が24chで、駆動方式(定電圧駆動/定電流駆動)やPWM信号の周波数の選択で、合計4製品をラインナップしている(表1)。PWM信号の周波数は37kHzと3.5kHzの製品があり、3.5kHz品(THL3512/THL3514)ならばEMIをより低く抑えることができる。
表1 製品ラインナップ
