- HOME
- Products / Interface
- LVDS
- THC63LVD827-Z

Overview
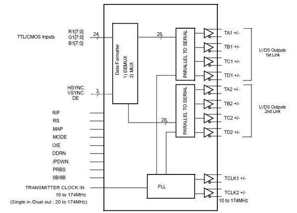
The THC63LVD827 transmitter is designed to support pixel data transmission of up to 1080p/1920×1440 resolutions between Host and Flat Panel Display, adopting small package, suited to tablet and laptop PC such as high-resolution mobile devices.
- LVCMOS to LVDS Conversion
- LVCMOS Parallel input
27bits/pixel
172M pixel/sec.(Clock Freq. 10 to 174MHz)
1.8V/2.5V/3.3V input supported
Input clock edge selectable - 4ch LVDS 2ports (Dual Pixel Link)output
1.22Gbps/ch
LVDS swing mode to reduce EMI - Power Supply:1.8V
IOVCC 1.8/2.5/3.3V selectable - Package:VFBGA72
World smallest package of equivalent products (7mmx7mm) - Operating Temperature:-40 to 105℃
- The highest level power consumption
Typ. 83mW at WUXGA 60Hz - Recommended Rx:
THC63LVD1022
THC63LVD1024
Go to FAQ for this product
Download documents
-
Data Sheet