
Overview
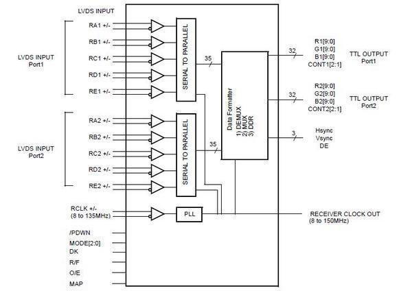
The THC63LVD1024 receiver is designed to support Dual Link transmission between Host and Flat Panel Display up to 1080p/60Hz, supporting varied I/O data mapping, suited to not only TV applications but also projector and security camera systems.
- LVDS to LVCMOS Conversion
- 5ch LVDS 2ports (Dual Link) input
945Mbps/ch
Wide LVDS input skew margin Max. ±650ps - LVCMOS Parallel 2ports output
67bit/2pixel
270Mpixel/sec. (Max. Clock Freq. 135MHz)
TTL Clock output timing programmable
Data mapping selectable - Package:LQFP144
- Power Supply:3.3V
- Operating Temperature:-40 to 85℃
- Recommended Tx:
THC63LVD827
THC63LVD823B
THC63LVD1023B
Go to FAQ for this product
Download documents
-
Data Sheet
-
Design Guide
-
IBIS Model
-
Evaluation Board