THL6518

Overview
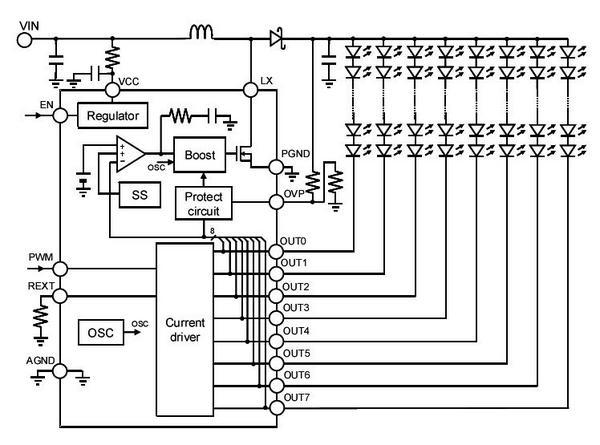
The THL6518 is a 8-channel LED driver. It has a built-in boost converter so that back light system can consist of 1 chip. Soft start / Over current protection / Vout short circuit protection / Under voltage protection / Over voltage protection / Thermal shut down are built in. Mounted area is reducible by 16-pin QFN.
- Input voltage range : 2.7V - 24V
- Boost converter
Maximum output voltage:40V
Switching frequency :1MHz - LED driver
Up to 60mA / channel
Current accuracy +/-3% - PWM dimming control
- Protection Function
Soft start
Over current protection
Vout short circuit protection
Under voltage protection
Over voltage protection
Thermal shut down - 3mm x 3mm QFN 16pin package
Go to FAQ for this product
Download documents
-
Data Sheet