- HOME
- 제품 / LED Driver
- 백라이트 LED 드라이버
- THL6518
THL6518
LED Driver백라이트 LED 드라이버THL6518

개요
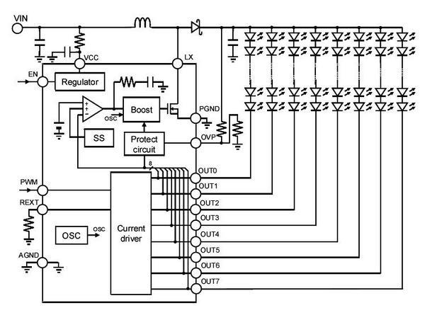
THL6518은 8채널 LED 드라이버입니다. 부스트 컨버터를 내장하고 있어, 백라이트 시스템을 원칩으로 구성 가능합니다. 소프트 스타트/과전류 보호/쇼트 서키트 보호/저전압 입력 오동작 방지/과전압 보호/서멀 셧다운을 내장하고 있습니다. 패키지는 QFN-16핀을 채용하고 있어, 실장면적을 줄일 수 있습니다.
- 입력전압범위: 2.7V - 24V
- 부스트 컨버터
최대출력전압:40V
발진주파수:1MHz - LED 드라이버
최대 출력 드라이브 전류:60mA/채널
드라이브 전류 정확도:+/-3% - PWM방식 디밍
- 보호회로
소프트 스타트
과전류 보호
쇼트 서키트 보호
저전압 입력 오동작 방지
과전압 보호
서멀 셧다운 - 3mm x 3mm QFN 16pin 패키지
본 제품에 관한 기술적인 FAQ
자료 다운로드
-
데이터 시트