THCV213-214_Block-Diagram

개요

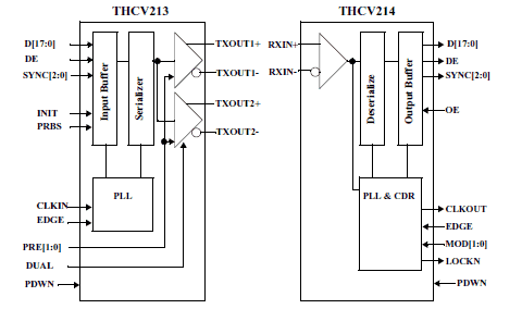
THCV213과 THCV214는 디지털 영상신호를 고속 전송하기 위한 칩셋입니다. LCD TV나 모니터 등에 일반적으로 사용되는 LVDS 전송이나 DVI, HDMI* 전송과 비교하여 배선수가 적고, 적은 실장면적, 적은 EMI, 장거리 전송에 적합한 칩셋입니다.

  • V-by-One® to LVCMOS 변환
  • V-by-One® (LVDS) 2ch 입력
     840Mbps/ch
     2ch 입력 셀렉터 기능
  • LVCMOS 출력
     영상신호:18bit/화소, 동기신호:3bit
     40M 화소/초 (클럭주파수:5-40MHz)
  • 클럭 데이터 리커버리(CDR)회로와 독자적인 엔코더 방식에 의해, 차동 1페어 케이블에서의 전송이 가능
  • 전원전압:3.3V
  • 패키지:TQFP48
  • 동작온도범위:
     THCV214-1T 0 to 70℃
     THCV214-5T -40 to 85℃
  • AEC-Q100 ESD Protection
  • 대응 Tx: THCV213
*「HDMI」는 HDMI Licensing LLC의 등록상표입니다.

본 제품에 관한 기술적인 FAQ

FAQ

자료 다운로드