
摘要
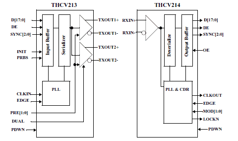
THCV213与THCV214是专门用于高速数字视频信号传输的芯片组。与目前LCD电视及显示器等常用的LVDS、DVI以及HDMI*相比,具有减少传输线数、节省空间、降低EMI、延长传输距离等优点。
- V-by-One® to LVCMOS 转换
- V-by-One® (LVDS) 2通道输入
840Mbps/通道
双通道输入选择功能 - LVCMOS 输出
视频信号:18bit/像素,同步信号:3bit
40M像素/秒(时钟频率:5-40MHz) - 通过将时钟&数据恢复电路与THine特有的编码方式结合,实现用一对数据线传输差分信号。
- 电源电压:3.3V
- 封装:TQFP48
- 工作温度范围:
THCV214-1T 0 to 70℃
THCV214-5T -40 to 85℃ - AEC-Q100 ESD Protection
- 对应发送端:
THCV213
关于本产品的技术FAQ请见此处
样品购入
下载资料
-
Data Sheet
-
设计方针
-
用户指南