- 主頁
- 產品介紹 / Interface
- V-by-One®
- THCV214

摘要
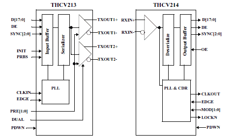
THCV213與THCV214是高速傳輸Digital映像訊號用的chipset。較一般LCD TC和Monitor所使用的LVDS與DVI、HDMI*傳輸相比配線數減少、節省空間、低EMI、可長距離傳輸是其特點。
- V-by-One® to LVCMOS 切換
- V-by-One® (LVDS) 2ch輸入
840Mbps/ch
2ch輸入選擇功能 - LVCMOS 輸出
映像訊號:18bit/画畫素,同步訊號:3bit
40M畫素/秒(時脈頻率:5-40MHz) - Clock&jitter Recovery回路以及獨自的encode方式實現差動1pair cable傳輸
- 電源電壓:3.3V
- 封裝:TQFP48
- 動作温度範圍:
THCV214-1T 0 to 70℃
THCV214-5T -40 to 85℃ - AEC-Q100 ESD Protection
- 對應Tx: THCV213
製品相關的技術FAQ請按此
資料下載
-
Data Sheet
-
Design guide
-
使用者手冊