
摘要
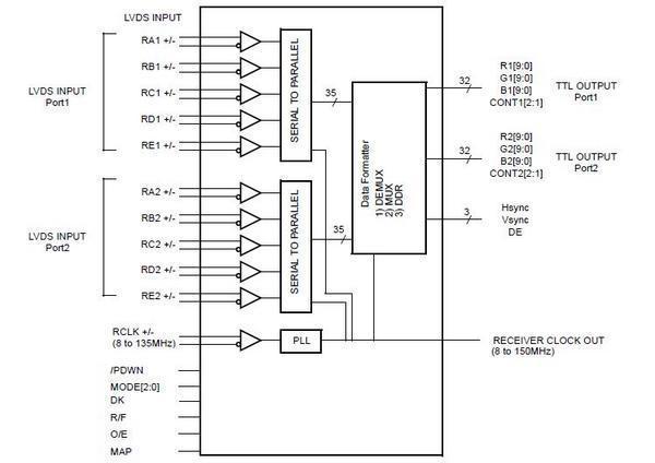
THC63LVD1024是可以支持1080p/60H的Dual Pixel Link LVDS接受IC。可支持多样的可以支持多样化的输入输出格式和数据显示。特别适用于TV、投影仪、监控摄像头。
- LVDS to LVCMOS 转换
- 5ch LVDS 2port (Dual Pixel Link)输入
945Mbps/ch
最大±650ps的Ch时差 - LVCMOSパラレル 2port输出
67bit/2像素
270M像素/秒(最高时钟频率135MHz)
数据输出基准时钟反转
数据/时钟位相調整
数据显示選択 - 封装:LQFP144
- 电源电压:3.3V
- 运行温度范围:-40 to 85℃
- 推荐Tx:
THC63LVD827
THC63LVD823B
THC63LVD1023B
关于本产品的技术FAQ请见此处
样品购入
下载资料
-
Data Sheet
-
设计方针
-
IBIS模型
-
用户指南