
개요
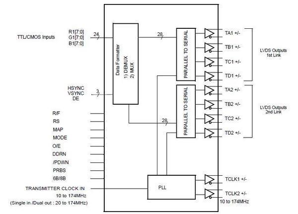
THC63LVD827는 1080p/1920×1440 해상도를 지원하는 Dual Pixel Link LVDS 트랜스미터 IC입니다. 소형 패키지, 태블릿, 노트북 등의 고해상도 모바일기기에 최적입니다.
- LVCMOS to LVDS 변환
- LVCMOS 병렬 입력
27bit/화소
172M 화소/초(클럭주파수:10-174MHz)
1.8/2.5/3.3V 입력 지원
입력 샘플링/Edge선택 가능 - 4ch LVDS 2port (Dual Pixel Link) 출력
1.22Gbps/ch
EMI를 억제하는 소진폭 출력모드 - 전원전압:1.8V
IOVCC는 1.8/2.5/3.3V 선택 가능 - 패키지:VFBGA49
7mm×7mm의 동일품 최소패키지 - 동작온도범위:-40 to 85℃
- 클래스 최고의 저소비 전력
Typ.83mW@WUXGA60Hz - 추천 Rx:
THC63LVD1022
THC63LVD1024
본 제품에 관한 기술적인 FAQ
자료 다운로드
-
데이터 시트
-
디자인 가이드
-
IBIS 모델
-
평가보드