OthersVideo ADC THC7984-17

THC7984-17

개요

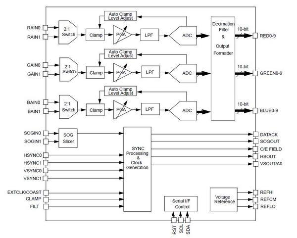
THC7984는 THC7981의 후속 Video ADC로서, 기능과 특성이 보다 강화되었습니다. 탁월한 리니어리티를 구현하는 내부 14-bit ADC와 고기능의 Intelligent Sync Processor를 추가하였고, 지금까지 외부에 필요했던 컴포넌트 비디오용 LPF(Low Pass Filter)를 내장하고 있어, 부품수와 실장면적을 줄였습니다. 또한, THC7984는 생산종료된 THC7980/THC7981/THC7983과 호환제품이므로, PCB변경없이 교체가 가능합니다.

  • 고속 170Msps 14비트 고성능 ADC 내장
  • Low Jitter Line Lock PLL-Phase 조정 64단계
  • Low pass filter Cut off 조정 28단계 (6~310MHz)
  • 고정밀 Clamp / Preamp
    Clamp 자동조정
    Low gain mismatch preamp
    Gain 조정 2048단계
  • 동기신호 처리 회로 내장
    레벨2/레벨3 sync slicer
    각종 동기신호 측정/감시 기능
    자동조정기능
  • 2선 시리얼 인터페이스
  • 대응입력신호
    PC신호 VGA~UXGA(RGB)
    Separate Sync
    Composite Sync
    Sync on Green
    Component Video 480i~1080p(YPbPr)
    Copy guard pulse

본 제품에 관한 기술적인 FAQ

FAQ

자료 다운로드