
摘要
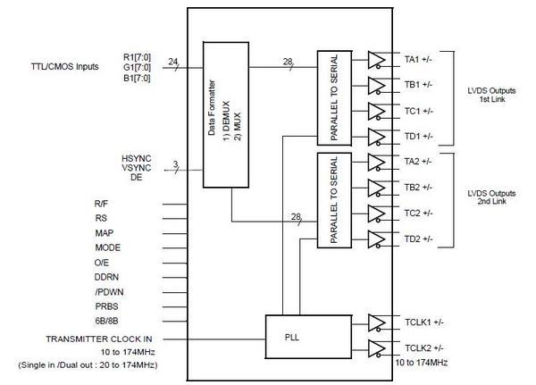
THC63LVD827是可支援1080p/1920×1440解像度的Dual Pixel Link LVDS Transmitter IC。小型封裝最適用於Tablet、NotePC等高解像度的行動裝置。
- LVCMOS to LVDS 切換
- LVCMOS Parallel輸入
27bit/畫素
172M畫素/秒(時脈頻率:10-174MHz)
支援1.8/2.5/3.3V輸入
可選擇edge sampling 輸入 - 4ch LVDS 2port (Dual Pixel Link)輸出
1.22Gbps/ch
抑制EMI小振幅輸出模式 - 電源電壓:1.8V
可選擇IOVCC1.8/2.5/3.3V - 封裝:TFBGA72
7mm×7mm為同等產品最小封裝 - 動作温度範圍:-40 to 85℃
- 最高等級的低消費電力
Typ.83mW@WUXGA60Hz - 建議Rx:
THC63LVD1022
THC63LVD1024
製品相關的技術FAQ請按此
資料下載
-
Data Sheet
-
Design guide
-
IBIS model
-
使用者手冊