- 主頁
- 產品介紹 / Interface
- LVDS
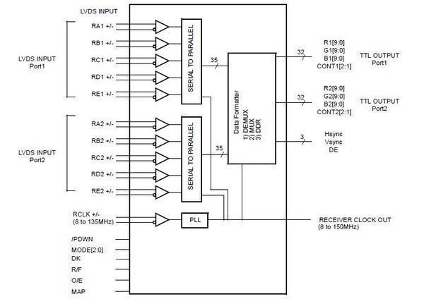
- THC63LVD1024

摘要
THC63LVD1024是可支援1080P/60Hz的Dual Pixel Link LVDS Transmitter IC。具有多種輸出入模式並支援Data Mapping功能,是TV‧投影機、監視型攝影機的最佳選擇。
- LVDS to LVCMOS 切換
- 5ch LVDS 2port (Dual Pixel Link)輸入
945Mbps/ch
Ch間Skew・Margin最大±650ps - LVCMOSパラレル 2port輸出
67bit/2畫素
270M畫素/秒(最高時脈頻率135MHz)
可反轉Data輸出基準Clock
Data/Clock位相調整
選擇Data Mapping - 封裝:LQFP144
- 電源電壓:3.3V
- 動作温度範圍:-40 to 85℃
- 建議Tx:
THC63LVD827
THC63LVD823B
THC63LVD1023B
製品相關的技術FAQ請按此
資料下載
-
Data Sheet
-
Design guide
-
IBIS model
-
使用者手冊