THine Value 解说装载LVDS的LED驱动IC三个优点及对共态杂信的抗干扰能力、高设计自由度等
        2020.10.21        
    - 文章
- 专栏
 更华丽、更鲜艳、更炫目…。现在,游艺机和游戏厅游戏机与过去相比都有了很大的进步。
为什么能实现这样的进步呢?当然,最大的原因是用户需求。产品企划能回应用户需求这一点是非常重要的。但这并不是唯一的原因;还存在技术上的因素。那就是LED(发光二级管)的高亮度化和低成本化。使用高亮度LED,可以只通过一个LED就有更明亮的显示效果;而且随着成本的降低,就可以使用更多的LED。也就是说,游艺机和游戏厅游戏机的显示功能通过LED的高亮度化和低成本化带来相乘的效应,因此有了大幅进步。
 
            
        
                                                                                                                                                                                                                                                                                                                                    
                
                        为什么能实现这样的进步呢?当然,最大的原因是用户需求。产品企划能回应用户需求这一点是非常重要的。但这并不是唯一的原因;还存在技术上的因素。那就是LED(发光二级管)的高亮度化和低成本化。使用高亮度LED,可以只通过一个LED就有更明亮的显示效果;而且随着成本的降低,就可以使用更多的LED。也就是说,游艺机和游戏厅游戏机的显示功能通过LED的高亮度化和低成本化带来相乘的效应,因此有了大幅进步。
恶劣的杂信环境
 在游艺机和游戏厅游戏机上装载大量LED就可以使显示变得更华丽鲜艳且炫目。对设备制造商来说这是巨大的优势。
但另一方面,也存在驱动LED的「LED驱动回路」的设计变得更困难这一缺点。这是因为游艺机和游戏厅游戏机内部的杂信环境普遍较差。这些设备內部装载了各种高性能LSI和高速接口,会发出高频率的电磁干扰杂信(EMI)。此外,与奖牌等的接触也可能产生干扰杂信。这些杂信进入LED驱动回路会导致LED无法正确启动,在使用者看来,显示会显得不自然且杂乱。
是什么原因导致LED不能正确点亮呢?让我们详细地说明一下。一般来说游艺机、游戏厅游戏机由于需要安装很多个LED,因此会使用多个LED驱动IC。但控制LED显示的CPU只有一个。因此,通常会采用某种接口技术来连接CPU和多个LED驱动IC。
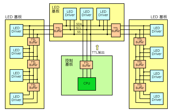
这种接口技术的选择包括I2C接口方式、移位寄存器方式和3线式串行接口(2线式串行接口)等;其中比较常用的是3线式串行接口(2线式串行接口)。3线式使用3根信号线传输数据信号 (SDA) 、时钟信号 (SCL) 和从属选择信号 (SS)(图1)。2线式则通过2根信号线传输数据信号 (SDA)和时钟信号 (SCL) 。
 
 
当干扰杂信进入这些串行接口时,会对接口传输的正常信号产生不良影响。具体来说,信号波形会失真,无法正确传输信号。干扰杂信进入的路径可能是多种多样的。有时在近距离处产生的干扰杂信会直接进入串行接口并对信号产生不良影响;而有时会进入地线造成地线的电位波动,从而对串行接口传输的信号产生不良影响。
无论哪种情况,都会使串行接口传输的信号波形大幅失真,无法正确传输信号。这就导致LED可能在需要时不点亮或在不需要时点亮。
                                
                
                
                                                                                                                                                                                                                                                                                                                                            
                
                        但另一方面,也存在驱动LED的「LED驱动回路」的设计变得更困难这一缺点。这是因为游艺机和游戏厅游戏机内部的杂信环境普遍较差。这些设备內部装载了各种高性能LSI和高速接口,会发出高频率的电磁干扰杂信(EMI)。此外,与奖牌等的接触也可能产生干扰杂信。这些杂信进入LED驱动回路会导致LED无法正确启动,在使用者看来,显示会显得不自然且杂乱。
是什么原因导致LED不能正确点亮呢?让我们详细地说明一下。一般来说游艺机、游戏厅游戏机由于需要安装很多个LED,因此会使用多个LED驱动IC。但控制LED显示的CPU只有一个。因此,通常会采用某种接口技术来连接CPU和多个LED驱动IC。
这种接口技术的选择包括I2C接口方式、移位寄存器方式和3线式串行接口(2线式串行接口)等;其中比较常用的是3线式串行接口(2线式串行接口)。3线式使用3根信号线传输数据信号 (SDA) 、时钟信号 (SCL) 和从属选择信号 (SS)(图1)。2线式则通过2根信号线传输数据信号 (SDA)和时钟信号 (SCL) 。

图1  装载3线式串行接口的LED驱动IC连接范例
当干扰杂信进入这些串行接口时,会对接口传输的正常信号产生不良影响。具体来说,信号波形会失真,无法正确传输信号。干扰杂信进入的路径可能是多种多样的。有时在近距离处产生的干扰杂信会直接进入串行接口并对信号产生不良影响;而有时会进入地线造成地线的电位波动,从而对串行接口传输的信号产生不良影响。
无论哪种情况,都会使串行接口传输的信号波形大幅失真,无法正确传输信号。这就导致LED可能在需要时不点亮或在不需要时点亮。
对共态杂信的抗干扰能力强
 THine Electronics已经开始销售能解决这些外部干扰问题的LED驱动IC「THL35xx系列」(图2)。
 
CPUや複数のLEDドライバICとの間を接続するインターフェース技術に「LVDS(低压差分信号)」を採用することで問題を解決した(図3)。使用 LVDS(低压差分信号)作为连接CPU和多个LED驱动IC的接口技术就能解决此问题(图3)。
 
LVDS采用低振幅差分传输法。100Ω终端上的振幅仅为350mV。信号传输使用2根信号线也就是一对信号线。THine Electronics的LED驱动IC装载两对LVDS,用于传输数据信号和时钟信号。
一般来说,LVDS技术被认为具有「出色的抗干扰特性」。理由有2个:一是它发出的辐射电磁杂信 (EMI) 较少。这是因为它采用低振幅差分传输方式。因此可对周边电子回路、接口等的负面影响降到最低。
另一个理由是它对外部干扰杂信有很高的抵抗力。例如:如果外部杂信进入地线并导致地线电位波动,这时一对也就是两条信号线上将出现相同的杂信。然而,由于LVDS采用差分传输方式,接收回路会计算两个信号间的差异。此时,干扰成分就会被抵消,就不容易受到外部杂信的影响(图4)。
 
通常造成这种地线电位波动、电源波动等的杂信被称为「共态杂信」。也就是说,LVDS对共态杂信的抵抗能力极强(但是根据外部杂信的进入方式不同,处理起来可能会很困难。因此需要采取适合设备环境的措施;例如插入滤波器元件)。
                                
                
                
                                                                                                                                                                                                                                                                                                                                            
                
                        
图2  装载LVDS的LED驱动IC的简略框图
CPUや複数のLEDドライバICとの間を接続するインターフェース技術に「LVDS(低压差分信号)」を採用することで問題を解決した(図3)。使用 LVDS(低压差分信号)作为连接CPU和多个LED驱动IC的接口技术就能解决此问题(图3)。
图3  装载LVDS的LED驱动IC连接范例
LVDS采用低振幅差分传输法。100Ω终端上的振幅仅为350mV。信号传输使用2根信号线也就是一对信号线。THine Electronics的LED驱动IC装载两对LVDS,用于传输数据信号和时钟信号。
一般来说,LVDS技术被认为具有「出色的抗干扰特性」。理由有2个:一是它发出的辐射电磁杂信 (EMI) 较少。这是因为它采用低振幅差分传输方式。因此可对周边电子回路、接口等的负面影响降到最低。
另一个理由是它对外部干扰杂信有很高的抵抗力。例如:如果外部杂信进入地线并导致地线电位波动,这时一对也就是两条信号线上将出现相同的杂信。然而,由于LVDS采用差分传输方式,接收回路会计算两个信号间的差异。此时,干扰成分就会被抵消,就不容易受到外部杂信的影响(图4)。
图4 LVDS抗干扰性高的理由
通常造成这种地线电位波动、电源波动等的杂信被称为「共态杂信」。也就是说,LVDS对共态杂信的抵抗能力极强(但是根据外部杂信的进入方式不同,处理起来可能会很困难。因此需要采取适合设备环境的措施;例如插入滤波器元件)。
串联与多点连接可同时存在
 装载LVDS的LED驱动IC还具有其他主要特性。那就是设计连接LED驱动IC的方法有很高的自由度。
如上所述,游艺机和游戏厅游戏机需要驱动大量的LED,因此需要使用多个LED驱动IC;而控制显示的CPU却只有一个。所以需要将CPU和多个LED驱动IC连接起来有两种连接方法:串联和多点连接方式。
串联方式就是所谓的「串珠」 。在LED驱动IC的后段连接1个LED驱动IC;再在其后段再连接1个LED驱动IC。这样就能将多个LED驱动IC以串珠的形式连接到一个LVDS接口上。
另一个多点连接方式在1个LVDS接口上挂上多个LED驱动IC来连接它们。换言之就是在LVDS接口中设定短截线(分支),然后将LED驱动IC连接到该分支的末端。
THine Electronics的LED驱动IC兼容串联和多点连接2种方式(图5);并且两者还可以同时存在。串联和多点连接方式各有优缺点。串联方式结构简单,但难以形成大的蜿蜒或分支。多点连接方式容易分支,但需要大量布线和相对较大的安装面积。
 
 
使用THine Electronics的LED驱动IC就可以在正确的位置使用这两种连接方式。这在构成游艺机的「配件」时尤其有效。这里的配件指的是可旋转或滑动的活动部件。配件内建了一块小型印刷电路板,上面安装了LED驱动IC,用于驱动附在可移动部分上的LED。这些LED驱动IC很难以串联方式连接。因为LVDS接口不能建成一条直线,因此需要设定分支并使用多点连接方式进行连接。
                                
                
                
                                                                                                                                                                                                                                                                                                                                            
                
                        如上所述,游艺机和游戏厅游戏机需要驱动大量的LED,因此需要使用多个LED驱动IC;而控制显示的CPU却只有一个。所以需要将CPU和多个LED驱动IC连接起来有两种连接方法:串联和多点连接方式。
串联方式就是所谓的「串珠」 。在LED驱动IC的后段连接1个LED驱动IC;再在其后段再连接1个LED驱动IC。这样就能将多个LED驱动IC以串珠的形式连接到一个LVDS接口上。
另一个多点连接方式在1个LVDS接口上挂上多个LED驱动IC来连接它们。换言之就是在LVDS接口中设定短截线(分支),然后将LED驱动IC连接到该分支的末端。
THine Electronics的LED驱动IC兼容串联和多点连接2种方式(图5);并且两者还可以同时存在。串联和多点连接方式各有优缺点。串联方式结构简单,但难以形成大的蜿蜒或分支。多点连接方式容易分支,但需要大量布线和相对较大的安装面积。

图5 串联方式与多点连接方式
使用THine Electronics的LED驱动IC就可以在正确的位置使用这两种连接方式。这在构成游艺机的「配件」时尤其有效。这里的配件指的是可旋转或滑动的活动部件。配件内建了一块小型印刷电路板,上面安装了LED驱动IC,用于驱动附在可移动部分上的LED。这些LED驱动IC很难以串联方式连接。因为LVDS接口不能建成一条直线,因此需要设定分支并使用多点连接方式进行连接。
无需缓冲IC
 THine Electronics的LED驱动IC还有另一个值得关注的特点。
它具有內置LVDS中继器功能。
一直以来,使用2线式或3线式串联接口时,连接距离越长,信号波形失真和振幅降低就越大,增加了数据/时钟信号无法正确传输的可能性。因此,需要在打印电路板的入口处插入TTL缓冲IC。
但THine Electronics的LED驱动IC已内置了LVDS中继器功能。中继器功能可以接收LVDS信号,吸收信号线和线缆引起的偏移和抖动,将其格式化为电压和时间轴上的理想条件,然后再次传输LVDS信号。这样就不需要外部缓冲IC,如此一来就可以减少印刷电路板安装面积和成本。
THine Electronics的LED驱动IC输出频数为24ch,通过驱动方式(恒压驱动/恒流驱动)及PWM信号的频率不同总共分为4种产品(表1)。有PWM信号频率为37kHz和3.5kHz的产品;其中3.5kHz产品(THL3512/THL3514)可以将EMI抑制的更低。
 
                                
                
                
                        
        
    它具有內置LVDS中继器功能。
一直以来,使用2线式或3线式串联接口时,连接距离越长,信号波形失真和振幅降低就越大,增加了数据/时钟信号无法正确传输的可能性。因此,需要在打印电路板的入口处插入TTL缓冲IC。
但THine Electronics的LED驱动IC已内置了LVDS中继器功能。中继器功能可以接收LVDS信号,吸收信号线和线缆引起的偏移和抖动,将其格式化为电压和时间轴上的理想条件,然后再次传输LVDS信号。这样就不需要外部缓冲IC,如此一来就可以减少印刷电路板安装面积和成本。
THine Electronics的LED驱动IC输出频数为24ch,通过驱动方式(恒压驱动/恒流驱动)及PWM信号的频率不同总共分为4种产品(表1)。有PWM信号频率为37kHz和3.5kHz的产品;其中3.5kHz产品(THL3512/THL3514)可以将EMI抑制的更低。
表1 产品阵容
 

