THine Value 解說搭載LVDS的LED driver IC三個優點及共模雜訊的抗干擾能力和高設計自由度的特點
2020.10.21
- 文章
- 專欄
更加華麗、更加鮮艷、更加炫目…。現在,娛樂設備和街機遊戲機已經比過去有了顯著的進步。
為什麼能夠實現這樣的進步呢?當然,最大的原因是用戶的需求。製品企劃能夠根據用戶的需求做出回應,這是非常重要的。但是,這並不是唯一的原因。還存在技術上的因素。那就是LED(發光二極體)的高亮度化和低成本化。使用高亮度LED,您可以只需一個LED就能有更明亮的效果,而且隨著成本的降低,可以使用更多的LED。換句話說,娛樂設備和街機遊戲機的顯示功能經由LED的高亮度化和低成本化的協同效應而大幅向前。
為什麼能夠實現這樣的進步呢?當然,最大的原因是用戶的需求。製品企劃能夠根據用戶的需求做出回應,這是非常重要的。但是,這並不是唯一的原因。還存在技術上的因素。那就是LED(發光二極體)的高亮度化和低成本化。使用高亮度LED,您可以只需一個LED就能有更明亮的效果,而且隨著成本的降低,可以使用更多的LED。換句話說,娛樂設備和街機遊戲機的顯示功能經由LED的高亮度化和低成本化的協同效應而大幅向前。
惡劣的雜訊環境
透過在遊樂設備和街機遊戲機上搭載大量LED,可以創造出更華麗鮮明、且炫目的展示。這對設備製造商來說是一個很大的優勢。
但另一方面,缺點是驅動LED的「LED driver回路」設計變得更加困難。這是因為遊戲機、街機遊戲機內的干擾環境普遍較差。這些機器內部搭載了各種高性能LSI和高速Interface,會發出高頻率的電磁干擾(EMI)。此外,與硬幣等的接觸也可能產生干擾。當這種雜訊進入LED driver回路時,會導致LED無法正確啟動,在使用者看來,顯示會顯得不自然且雜亂。
是什麼原因導致LED不正確點亮呢?讓我們詳細地解釋一下。一般遊戲機、街機遊戲機都採用多個LED driver IC來驅動大量的LED。然而,只有一個CPU控制顯示。因此,通常會採用某種Interface技術來連接CPU和多個LED driver IC。
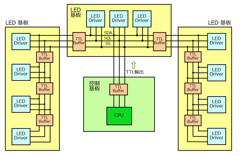
這種Interface技術的選擇包括I2C Interface、Shift register和經常使用的3線Serial Interface(2線Serial Interface)。3線系統使用三個訊號線傳送Data (SDA) 訊號、Clock (SCL) 訊號和Slave Select (SS) 訊號(圖1)。兩線系統透過兩條訊號線傳輸Data (SDA) 和clock (SCL) 訊號。
當干擾進入這些Serial Interface時,會對經由它們傳播的訊號產生不良影響。具體而言,訊號波形失真,且無法正確傳輸訊號。干擾可以透過多種路徑傳播。在某些情況下,近距離產生的雜訊直接進入Serial Interface並對訊號產生不良影響,而在其他情況下,雜訊進入Ground並導致Ground電位波動,進而對透過Serial Interface傳播的訊號也有可能產生不好的影響。
無論哪種情況,透過Serial Interface傳播的訊號波形都會嚴重失真,造成無法正確傳輸訊號。導致LED可能在需要時不亮,或在不需要時亮起。
但另一方面,缺點是驅動LED的「LED driver回路」設計變得更加困難。這是因為遊戲機、街機遊戲機內的干擾環境普遍較差。這些機器內部搭載了各種高性能LSI和高速Interface,會發出高頻率的電磁干擾(EMI)。此外,與硬幣等的接觸也可能產生干擾。當這種雜訊進入LED driver回路時,會導致LED無法正確啟動,在使用者看來,顯示會顯得不自然且雜亂。
是什麼原因導致LED不正確點亮呢?讓我們詳細地解釋一下。一般遊戲機、街機遊戲機都採用多個LED driver IC來驅動大量的LED。然而,只有一個CPU控制顯示。因此,通常會採用某種Interface技術來連接CPU和多個LED driver IC。
這種Interface技術的選擇包括I2C Interface、Shift register和經常使用的3線Serial Interface(2線Serial Interface)。3線系統使用三個訊號線傳送Data (SDA) 訊號、Clock (SCL) 訊號和Slave Select (SS) 訊號(圖1)。兩線系統透過兩條訊號線傳輸Data (SDA) 和clock (SCL) 訊號。

圖1 搭載3線Serial Interface的LED driver IC的連接範例
當干擾進入這些Serial Interface時,會對經由它們傳播的訊號產生不良影響。具體而言,訊號波形失真,且無法正確傳輸訊號。干擾可以透過多種路徑傳播。在某些情況下,近距離產生的雜訊直接進入Serial Interface並對訊號產生不良影響,而在其他情況下,雜訊進入Ground並導致Ground電位波動,進而對透過Serial Interface傳播的訊號也有可能產生不好的影響。
無論哪種情況,透過Serial Interface傳播的訊號波形都會嚴重失真,造成無法正確傳輸訊號。導致LED可能在需要時不亮,或在不需要時亮起。
抗共模雜訊能力強
THine已經開始銷售能夠解決這些外部干擾問題的LED driver IC「THL35xx系列」(圖2)。
透過使用 LVDS(Low Voltage Differential Signaling)作為連接CPU和多個LED driver IC 的Interface技術解決了此問題(圖 3)。
LVDS採用低振幅差分傳輸法。100Ω終端的振幅僅350mV。訊號傳輸使用兩條訊號線亦及一對訊號線。THine的LED driver IC搭載兩對LVDS,用於傳送Data訊號和Clock訊號。
一般來說,LVDS 技術被認為具有「出色的抗干擾特性」。有兩個原因,一是它發出的輻射電磁干擾 (EMI) 較少。這是因為它採用低振幅差分傳輸方式。因此,可以對周邊電子回路、Interface等的負面影響降到最低。
另一個原因是它對外部干擾有很高的抵抗力。例如,如果外部雜訊進入Ground並導致接地電位波動,一對的兩條訊號線上將出現相同的雜訊。然而,由於LVDS採用差分傳輸方式,接收回路會計算兩個訊號之間的差異。此時,干擾成分被抵消,就不易受到外部雜訊的影響(圖4)。
通常由這種接地電位波動、電源波動等引起的雜訊稱為「共模雜訊」。換句話說,LVDS對共模雜訊的抵抗能力極強(但是,根據外部雜訊的進入方式,處理起來可能會很困難,因此需要採取適合設備環境的措施,例如插入濾波器元件)。

圖2 搭載LVDS的LED driver IC的簡化框圖
透過使用 LVDS(Low Voltage Differential Signaling)作為連接CPU和多個LED driver IC 的Interface技術解決了此問題(圖 3)。

圖3 搭載LVDS的LED driver IC的連接範例
LVDS採用低振幅差分傳輸法。100Ω終端的振幅僅350mV。訊號傳輸使用兩條訊號線亦及一對訊號線。THine的LED driver IC搭載兩對LVDS,用於傳送Data訊號和Clock訊號。
一般來說,LVDS 技術被認為具有「出色的抗干擾特性」。有兩個原因,一是它發出的輻射電磁干擾 (EMI) 較少。這是因為它採用低振幅差分傳輸方式。因此,可以對周邊電子回路、Interface等的負面影響降到最低。
另一個原因是它對外部干擾有很高的抵抗力。例如,如果外部雜訊進入Ground並導致接地電位波動,一對的兩條訊號線上將出現相同的雜訊。然而,由於LVDS採用差分傳輸方式,接收回路會計算兩個訊號之間的差異。此時,干擾成分被抵消,就不易受到外部雜訊的影響(圖4)。

圖4 LVDS抗干擾特性高的原因
通常由這種接地電位波動、電源波動等引起的雜訊稱為「共模雜訊」。換句話說,LVDS對共模雜訊的抵抗能力極強(但是,根據外部雜訊的進入方式,處理起來可能會很困難,因此需要採取適合設備環境的措施,例如插入濾波器元件)。
可以混搭Cascade和Multi-drop
搭載LVDS的LED driver IC還具有其他主要特性。設計連接LED driver IC方面有很高的自由度就是其中之一。
如上所述,娛樂設備和街機遊戲機需要驅動大量的LED,因此需要使用多個LED driver IC。控制顯示的CPU卻只有一個。因此,需要將CPU和多個LED driver IC連接起來有兩種連接方法:Cascade和Multi-drop方法。
Cascade方法就是所謂的「串珠」 。在LED driver IC之後連接1個LED driver IC,在其後再連接1個LED driver IC。這允許多個LED driver IC以串珠的形式連接到單一LVDS Interface。
另一個Multi-drop方法是透過將多個LED driver IC掛接到單一LVDS Interface來連接它們。換言之,在LVDS Interface中設定短截線(分支),然後將LED driver IC連接到該分支的末端。
THine的LED driver IC相容Cascade和Multi-drop兩種方式(圖 5)。還可以將兩者混合。Cascade和Multi-drop的方法各有優缺點。Cascade系統結構簡單,但難以形成大的蜿蜒或分支。Multi-drop方法相對容易分支,但需要大量佈線和相對較大的安裝面積。
如果您使用THine的LED driver IC就可以在正確的位置使用這兩種連接方法。這在構成遊戲機的「配件」時尤其有效。這邊的配件指的是可旋轉或滑動的活動部件。這裡內建了一塊小型印刷電路板,上面安裝了LED driver IC,用於驅動附在可移動部分上的 LED。這些LED driver IC很難以Cascade方式連接。這是因為LVDS Interface不能建在直線上。因此需要設定分支並使用Multi-drop方法進行連接。
如上所述,娛樂設備和街機遊戲機需要驅動大量的LED,因此需要使用多個LED driver IC。控制顯示的CPU卻只有一個。因此,需要將CPU和多個LED driver IC連接起來有兩種連接方法:Cascade和Multi-drop方法。
Cascade方法就是所謂的「串珠」 。在LED driver IC之後連接1個LED driver IC,在其後再連接1個LED driver IC。這允許多個LED driver IC以串珠的形式連接到單一LVDS Interface。
另一個Multi-drop方法是透過將多個LED driver IC掛接到單一LVDS Interface來連接它們。換言之,在LVDS Interface中設定短截線(分支),然後將LED driver IC連接到該分支的末端。
THine的LED driver IC相容Cascade和Multi-drop兩種方式(圖 5)。還可以將兩者混合。Cascade和Multi-drop的方法各有優缺點。Cascade系統結構簡單,但難以形成大的蜿蜒或分支。Multi-drop方法相對容易分支,但需要大量佈線和相對較大的安裝面積。

圖5 Cascade和Multi-drop方法
如果您使用THine的LED driver IC就可以在正確的位置使用這兩種連接方法。這在構成遊戲機的「配件」時尤其有效。這邊的配件指的是可旋轉或滑動的活動部件。這裡內建了一塊小型印刷電路板,上面安裝了LED driver IC,用於驅動附在可移動部分上的 LED。這些LED driver IC很難以Cascade方式連接。這是因為LVDS Interface不能建在直線上。因此需要設定分支並使用Multi-drop方法進行連接。
無需緩衝 IC
THine的LED driver IC還有另一個值得關注的特點。
它具有內建LVDS repeater功能。
傳統上使用2線式或3線式Serial Interface時,連接距離越長,訊號波形失真和振幅低下就越大,增加了Data/clock訊號無法正確傳輸的可能性。因此,需要在電路板的入口處插入TTL緩衝IC。
但THine的LED driver IC已經內建了LVDS repeater功能。repeater功能可以接收 LVDS訊號,吸收訊號線和Cable引起的偏移和抖動,將其格式化為電壓和時間軸上的理想條件,然後再次傳送LVDS訊號。這樣就不需要外部緩衝IC,如此一來就可以減少印刷電路板安裝面積和成本。
THine的LED driver IC共有4種產品,輸出Channel數為24ch,驅動方式(恆壓驅動/恆流驅動)及PWM訊號頻率可供選擇(表1)。有PWM訊號頻率為37kHz和3.5kHz的產品,3.5kHz產品(THL3512/THL3514)可以將EMI抑制的更低。
它具有內建LVDS repeater功能。
傳統上使用2線式或3線式Serial Interface時,連接距離越長,訊號波形失真和振幅低下就越大,增加了Data/clock訊號無法正確傳輸的可能性。因此,需要在電路板的入口處插入TTL緩衝IC。
但THine的LED driver IC已經內建了LVDS repeater功能。repeater功能可以接收 LVDS訊號,吸收訊號線和Cable引起的偏移和抖動,將其格式化為電壓和時間軸上的理想條件,然後再次傳送LVDS訊號。這樣就不需要外部緩衝IC,如此一來就可以減少印刷電路板安裝面積和成本。
THine的LED driver IC共有4種產品,輸出Channel數為24ch,驅動方式(恆壓驅動/恆流驅動)及PWM訊號頻率可供選擇(表1)。有PWM訊號頻率為37kHz和3.5kHz的產品,3.5kHz產品(THL3512/THL3514)可以將EMI抑制的更低。