摘要

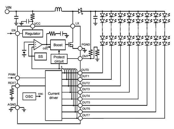
THL6518为8通道的LED驱动芯片。因内部带有升压转换器,所以单芯片就能构成背光系统。内置有软启动/过电流保护/短路保护/低电压输入误动作防止/过电压保护/热关机功能。为减少贴片面积所采用的封装是QFN-16PIN。

Products Scheduled for Discontinuation


  • 输入电压范围: 2.7V - 24V
  • 升压转换器
    最大输出电压:40V
    发振频率:1MHz
  • LED驱动
    最大输出驱动电流:60mA/通道
    驱动电流精度:+/-3%
  • PWM方式调光
  • 保护电路
    软启动
    过电流保护
    短路保护
    低电压误动作防止
    过电压保护
    热关机
  • 封装3mm x 3mm QFN 16pin

关于本产品的技术FAQ请见此处

FAQ

下载资料