OthersVideo ADCTHC7984-17

THC7984-17

摘要

THC7984是继THC7981之后的下一代视频ADC产品,在功能与性能上都有所加强。除了具备优良线性性能的14-bit内部ADC以及高性能的智能同步处理器之外,还内置了以往必须通过外设的分量视频信号用的低通滤波器。这样便减少了元器件的使用数量和贴装面积。此外,THC7984还可以与我司以往的THC7980/THC7981/THC7983产品进行Pin to Pin替换。

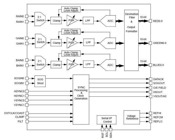
  • 内置最高速率170Msps 14bit的高性能ADC
  • 低Jitter line lock PLL 相位64阶可调整
  • 低通滤波器 截止频率28阶可调整(6~310MHz)
  • 高精度钳位/放大器
    自动钳位调整
    低增益失配前置放大器
    2048阶增益调整
  • 内置同步信号处理电路
    二值/三值同步Slicer
    各种同步信号检测/监视功能
    自动设定功能
  • 双线串行接口
  • 支持输入信号
    PC信号 VGA~UXGA(RGB)
    分立式同步
    复合式同步
    绿同步
    分量视频信号480i~1080p(YPbPr)
    防拷贝脉冲

关于本产品的技术FAQ请见此处

FAQ

样品购入

从Chip One Stop购买

下载资料