- 主頁
- 產品介紹 / Others
- Video ADC
- THC7984-17
THC7984-17

摘要
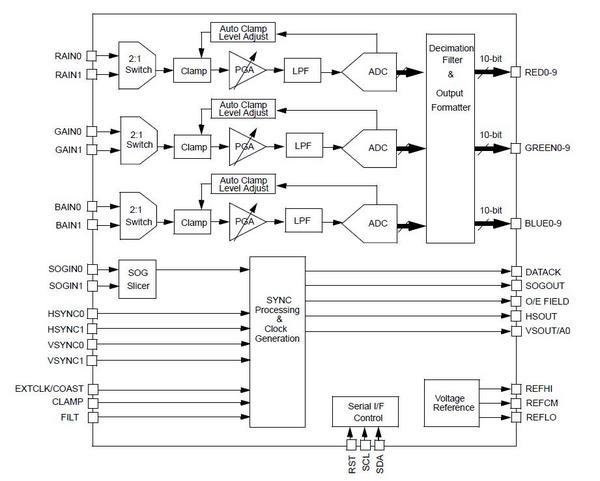
THC7984-17是繼THC7981後開發的Video ADC,在功能與特性上更加強化的版本。14bit ADC與高性能的Intelligent syncprocessor實現了卓越的linearity,而一般需要外接的component video LPF也內藏化,有效實現了周邊元件數量與實裝面積的削減。而THC7984與已EOL的THC7980/THC7981/THC7983可直接Pin to Pin替換。
- 最高170Msps 14bit高性能ADC内藏
- 低jitter Line Lock PLL Phase調整64step
- Low Pass Filter Cutoff調整28Step(6~310MHz)
- 高精度Clamp/Per-AMP
Clamp自動調整
Low gain missmatch Pre-AMP
Gain調整2048step - 搭載同步訊號處理回路搭載
2値/3値同步Slicer
各種同步訊號測定/監視機能
自動設定機能 - 2線SERIAL INTERFACE
- 對應輸入訊號
PC訊號VGA~UXGA(RGB)
Separate synk
Composite synk
Sync on Green
component video 480i~1080p(YPbPr)
Copyguard pulse